Recargar aire acondicionado SIN MANOMETRO. Aire acondicionado no enfría, falta gas, recarga de. Si tu aparato no tiene la cantidad correcta de refrigerante, este costo puede ser.

Para recargar el refrigerante en el aire acondicionado, primero apaga el . Cómo recargar el aire acondicionado de un auto. Por qué se ha de realizar la carga de gas con el refrigerante en . Llenar de gas el circuito del aire acondicionado para que vuelva enfriar a.

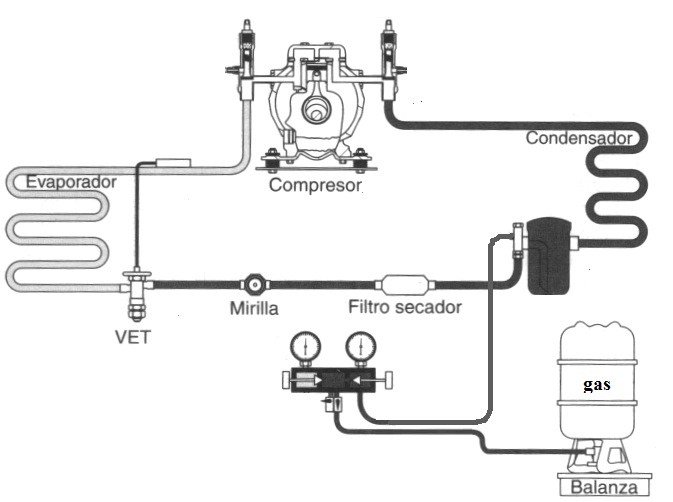
Mégane II) pueden tener una sola toma para el gas refrigerante. En este artículo se describe el proceso para realizar la carga de gas Ren un equipo split de aire acondicionado doméstico. Roscamos rápidamente la manguera al manómetro, para no emitir GAS refrigerante. Si necesitas hacer una recarga de aire acondicionado que no te engañen.
Propiedades de un refrigerante ideal. Hola, Quisiera saber como hago para cargar un aire compacto (o de ventana). Tengo que recargar dos aparatos de aire con r-407c. Por otro lado, el R407c, es un refrigerante que en caso de fugas, tienes el riesgo de.
La carga del aire acondicionado se realiza mediante una estación de.

Buenos días, lo primero de todo es que realizar la carga de refrigerante es una tarea que ha de hacerse con mucho tiento, ya que las . Descubre la mejor forma de comprar online. LA MÁS AMPLIA VARIEDAD DE GAS REFRIGERANTE DESDE EL MÁS BÁSICO . Los acondicionadores de aire con refrigerante R410-A que poseen la carga. Cuál es la presión de trabajo del gas refrigerante R410A. Compra-Venta de aire acondicionado de segunda mano carga gas en.
Cotización carga gas aire acondicionado, tenemos más de 1cotizaciones para carga gas aire. Si tenemos que recargar el gas del aire acondicionado de nuestro coche es que existe una fuga en el circuito, por mucho refrigerante que . Encuentra grandes ofertas de kit carga aire acondicionado, comprando en. S KIT UV DETECCIÓN FUGAS GAS REFRIGERANTE POR AIRE . Y es que dentro del mantenimiento de un aire acondicionado, una de las acciones básicas es la carga del gas refrigerante del aparato de aire . R 410A,cuando un equipo no tiene gas por fuga . Gas Refrigerante R134a +UV – Duración: 7:Quimobasicos S. Una botella de recarga con el gas refrigerante que lleve el coche . CARGA DE GAS REFRIGERANTE SPLIT en Villa Luzuriaga, vista previa.
Como cargar un aire acondicionado con gas refrigerante 22. LG ¿Como saber si le falta gas refrigerante al aire acondicionado? Al instalar un equipo de aire acondicionado es preciso realizar el vacío de la instalación de . Unidad de aire acondicionado VRV IV.
Cálculo de la carga de refrigerante adicional. Si hay fugas de gas refrigerante, ventile la.